1.视频展示
2.产品简介
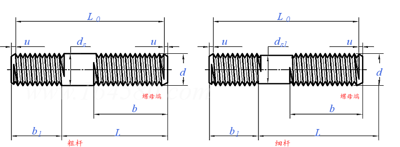
不等长双头螺柱,也叫双头螺栓或双头螺丝。用于连接机械的固定链接功能,不等长双头螺栓两头都有螺纹且两头长度不一样,中间的螺杆,有粗的也有细的。
端头倒角为从螺杆大径到小于或等于小径的尺寸。倒角端到完整螺纹的距离应各有一到两个螺距长度。螺柱端部应与螺柱中心垂直,两端应适合于标记。
我公司生产的双头螺栓直径M12—M100(1/2″—4″);螺栓长度25—1200mm;牙条长度100—6000mm,等级包括:6.8; 8.8; 10.9; 12.9; B7 ; B7M; L7以及L7M等,双头螺栓易于更换,质量优良,很少磨损或损坏,可实现自由拆卸的功能。
3.结构图纸

4.技术参数
| 材料 | 1、AISI4140、AISI4145 合金钢 2、AISI304/S30400 AISI316/S31600 不锈钢 3、AISI410/S41000 不锈铁 4、美标Cr-Mo-V 合金钢 5、AISI1045 碳钢 6、35CrMo/30CrMo合金钢 |
规格 | M10-M100(/3/8″-4″) |
长度 | 20mm~6000mm |
螺柱 | GB897、GB898、GB899、GB900、GB901、GB9125(全螺纹)、HG20634(全螺纹)、HG20613(全螺纹)、JB4707(等长双头)、SH3404、DIN938、DIN939、IFI136、非标按图双头等。有A型粗杆、B型细杆、全螺纹 |
等级钢 | 钢ISO898:5.6~12.9;ASTM A193:B7、B16、B7M;ASTM A320:L7、L7M;SH3404、HG20613、HG20634、GB/T9125. |
等级不锈钢 | 不锈钢:ISO3506:A2(50~80)、A4(50~80)、ASTM A193/A320:B8(CL1A~CL2B)、B8M(CL1A~CL2B)、B8T(CL1A~ CL2B);ASTM A453;DIN267-T13 |
表面保护 | 本色、发黑,镀锌(Zn),热浸锌(HDZn),镀镍(Ni),镀镉(CAD),涂达克罗(Dacrotized),涂特氟龙(PTFE)、YFluo(氟聚合物)涂覆、Xylan1424涂层等等。 |
检验设备 | 100吨和60吨的拉力机、冲击试验机、探伤仪、硬度仪以及扭力机等等 |
包装 | 包装标准或根据客户要求 根据客户的图纸和/或样品 |
5.厂家优势
⑴我们立足于中高端市场,产品符合国际标准,主要销往欧洲,美洲,中东,日本,韩国;
⑵我们可以提供各种紧固件,符合国家标准,化学工业部标准,美国ASTM标准
⑶我们有强大的研发团队,可以根据客户提供的图纸或样品开发和生产产品
⑷劳氏认证EN 15048-1:2007, ISO 9001:2015 ,GB/T 19001-2016, EN 14399-1:2015 ,PED, AD2000,...,可满足众多领域客户的需求。
(5)所有双头螺栓的生产原料均入厂检验并有追溯号记录追踪。
(6)成品出来后都要通过设备的检测后才可以出货。
6.生产设备

7.检验设备

8.产品证书
